全国统一服务热线
400-610-6025
首 页
企业简介
公司概况
证书荣誉
组织结构
业务范围
业绩案例
工艺材料
行业动态
资料下载
JIUZHOU.COM九州
当前位置:
首页
>
图集
>
住宅小区地下室改造项目案例
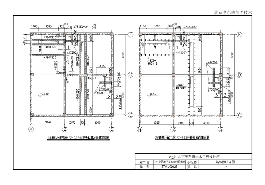
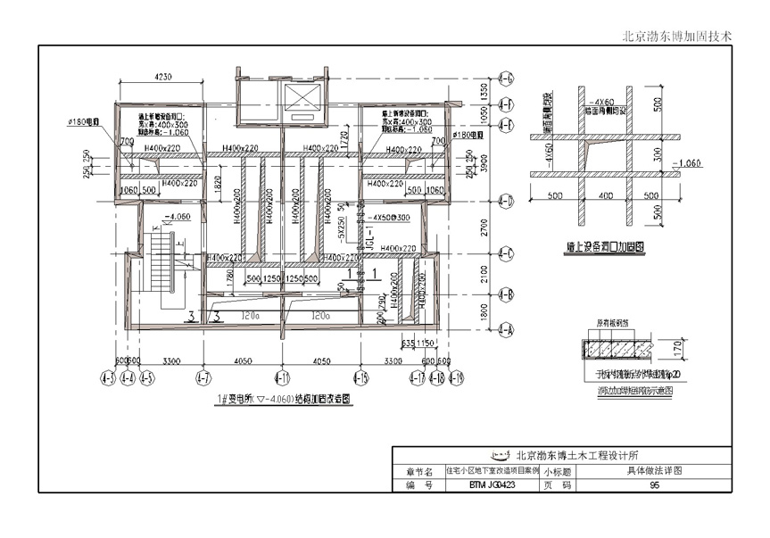
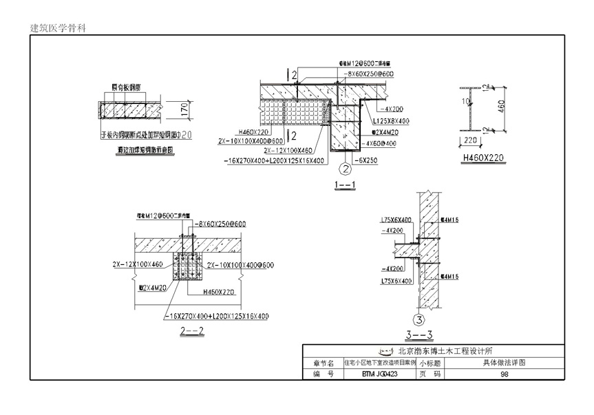
住宅小区地下室改造项目案例
版权所有:JIUZHOU.COM九州
邮箱:jiagu@bodongbo.com
传真:010-64403408
电话:400-610-6025 800-810-6025 010-64403428
地址:北京市朝阳区北苑东路19号院2号楼1206室(中国铁建广场C座)
京ICP备2022035419号-1
澳洲10在线注册
|
澳洲5在线登录
|
必一网页版
|
必一手机平台_必一(中国)
|
米兰·官方版在线入口
|
澳洲10手机平台
|
快3最新官方
|
江南在线手机版(大中国区)
|
星际体育(中国)官方网站
|